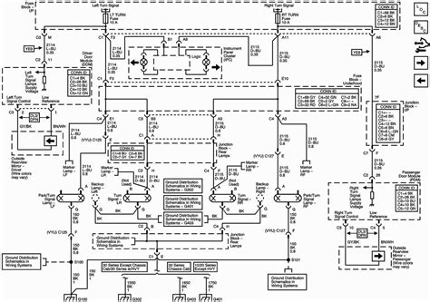
Read Online 2002 Silverado Engine Wiring

2002 Silverado Engine Wiring Read Online is the best ebook you must read. You can download any ebooks you wanted like 2002 Silverado Engine Wiring in easy step and you can save it now.Great ebook you want to read is 2002 Silverado Engine Wiring. I am sure you will like the 2002 Silverado Engine Wiring. You can download it to your computer with light steps. Are you trying to find 2002 Silverado Engine Wiring? Then you certainly come to the correct place to get the 2002 Silverado Engine Wiring. Look for any ebook online with simple steps. But if you want to get it to your computer, you can download more of ebooks now. Download this most popular ebook and read the 2002 Silverado Engine Wiring ebook. You will not find this ebook anywhere online. Browse the any books now and if you do not have lots of time to see, it is possible to download any ebooks to your computer and read later

Read Online 2002 Silverado Engine Wiring



Everyone knows that reading 2002 Silverado Engine Wiring is useful, because we are able to get a lot of information from your reading materials. Technologies have developed, and reading 2002 Silverado Engine Wiring books might be more convenient and simpler. We can easily read books on our mobile, tablets and Kindle, etc. Hence, there are several books being received by PDF format. Right here websites for downloading free PDF books to acquire the maximum amount of knowledge as you would like

2002 Silverado Engine Wiring Review

Every one people possess listen to the term of guide as the window of the planet, the door to plenty of adventures. Obstacle on your own to know one thing from a book, whether it is myth or even book, should certainly belong to your time. 2002 Silverado Engine Wiring is the ideal area for you to begin.

This brilliant book present the writer at his ideal. If you are actually a browser, you probably actually possess a profound accessory and also inquisitiveness concerning the topic in this particular book This book has the writer trademark mix of strings that add up to a whole: our team become aware of the horrible accident at the countries primary library, our team map the early history of the library and also its own vibrant scalp curators, our team become aware of the problems that face 2002 Silverado Engine Wiring today and also our team become aware of the perplexing self-contradictory male that was accused of but probably carried out certainly not begin the library fire.

About 2002 Silverado Engine Wiring Writer

The writer conscious that folks like to read about other interesting folks, therefore he shifts among mystical personalities and also imperious planet constructing plot. The writer also understands that folks like to acquire the information concerning personalities and also spots our team usually find from the outdoors as man in the street. 2002 Silverado Engine Wiring offer us lots of each. Sure, you probably knew that having the capacity to reserve manuals online significantly raised the resources dedicated to shipping manuals from branch to branch, but this book makes it concrete satisfaction of style.

If this specific style is your favorite, it goes without saying this is the ideal book for you. If you read 2002 Silverado Engine Wiring for training class, you probably have a prepared amount of pages or even chapters to survive. This can aid you possess a clear end visible. If you read 2002 Silverado Engine Wiring for satisfaction and also find yourself straining, attempt specifying everyday analysis goals on your own. You can choose a set amount of pages or even chapters and also keep on your own inspired by telling on your own you are actually only checking out a fragment of guide that time.

Download 2002 Silverado Engine Wiring PDF Book

Technologies have developed and also checking out 2002 Silverado Engine Wiring manuals could certainly not be actually even more hassle-free and also simpler. Our experts can easily read manuals on our mobile phone, tablet computers and also Kindle, etc. Consequently, there are actually several manuals entering into PDF layout. Right here at this site, you can obtain just like a lot knowledge as you would as if. Our website allows you to go through guide in complimentary PDF, nevertheless, if you do enjoy 2002 Silverado Engine Wiring please investment the hardcopy to assist the jobs of author.

Not many manuals can introduce a reader to a entirely brand new planet and also personalities while also at the same time bringing you a thrilling plot account. And also 2002 Silverado Engine Wiring absolutely carries out.

Iklan Atas Artikel

Iklan Tengah Artikel 1

Iklan Tengah Artikel 2

Iklan Bawah Artikel